Дополнительное оборудование к ВР32 Дугогасительные камеры для ВР32-37 (для перекидного)
Описание товара
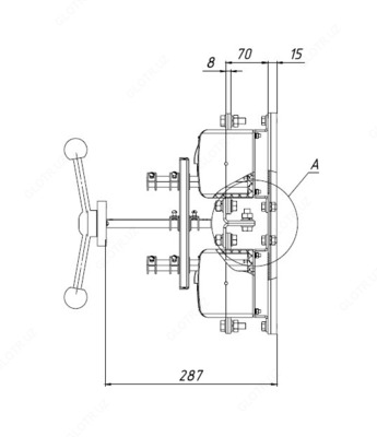
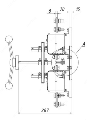
Дугогасительные камеры — это устройства, применяющиеся в системах дугогашения различных электрических коммутационных аппаратов для гашения электрической дуги. Данные дугогасительные камеры применяются на рубильниках (на одно направление) с номинальным током 100 А - ВР32-31 7хххх..
Отключать любой рубильник, в том числе и ВР32 под нагрузкой запрещено т.к. в этом случае возникает электрическая дуга, которая приводит к разрушению коммутационного аппарата, а также может нанести травмы различного рода оперативному персоналу. Применение дугогасительных камер снижает вредные последствия при возникновении дуги. При этом необходимо учитывать, что дугогасительные камеры закрывают контакты рубильника и становится затруднительно определить визуально его состояние.
Дугогасительная камера представляет собой набор металлических (обычно железных) пластин определенной формы, покрытых медью или хромом (для улучшения проводимости и предотвращения окисления) , закрепленных на определенном расстоянии друг от друга, между двумя пластинами выполненными из диэлектрика (электрокартона)
Внимание: характеристики товара, комплект поставки и внешний вид могут быть изменены производителем без предварительного уведомления. Указанная информация не является публичной офертой.
Показать все
Скрыть
Отзывы
У данного товара пока нет отзывов. Станьте первым, кто поделится своим мнением и поможет другим сделать выбор.
Спасибо за ваш отзыв!
Менеджер свяжется с вами в течение 30 минут для уточнения деталей, стоимости и условий доставки.
Зарегистрированные пользователи могут отслеживать статус заказа в личном кабинете.
С этим товаром смотрят
Выключатель-разъединитель ВР32И-39A31240 630А IEK
10 сум
BURNMAKER-2 — компактная прожиговая установка для определения мест повреждения электрического нагревательного кабеля в системах теплого пола
10 сум
Выключатель-разъединитель ВР32И-31A31240 100А IEK
10 сум
Выключатель-разъединитель ВНК-37-71131-32 УХЛ3
10 сум
Выключатель-разъединитель ВР32-31А70220-00 УХЛ3
10 сум
Syscompact-4000 — мобильный комплекс для поиска мест повреждений кабелей
10 сум
Выключатель-разъединитель ВР32И-31A71240 100А IEK
10 сум
Выключатель-разъединитель ВНК-35-31130-32УХЛ3 (лев.)
10 сум
Комплектующие к ВР32 Рукоятка к ВР 32- 31/35/37 70220
10 сум
Выключатель-разъединитель ВР32-39-В-71250-32 УХЛ3
10 сум
Выключатель-разъединитель ВНК-37-31130-32УХЛ3 лев.
10 сум
Комплектующие к ВР32 Ось к ВР 32-37В31250 50мм (400А)
10 сум
Ранее вы смотрели
Манометр, напоромер, низкого давления МП-3-У -600 кг/см2
Дополнительное оборудование к ВР32 Дугогасительные камеры для ВР32-37 (для перекидного)
DT-9935 профессиональный LCR-метр с автоматическим выбором режима измерений
U1453A — измеритель сопротивления изоляции, OLED дисплей, от 50 В до 1 кВ
BCT-O-12/100 kit — разрядно-диагностическое устройство аккумуляторных батарей 0-2В/100А, 6-12В/30А
ТКА-ПКМ (41) — люксметр + яркомер + измеритель температуры и влажности
PCM+ — система контроля коррозии изоляции трубопроводов
WAPRZ010YEBB — провод измерительный 10м с разъемами "банан" жёлтый
АВИЦ-70 исп.3 USB и ПО — аппарат высоковольтный испытательный в стальном корпусе (исполнение под стойку 19′) с USB и ПО
HSA1016-TG — портативный анализатор спектра
Похожие категории