Выключатель-разъединитель ВНК-37-71131-52УХЛ3
Описание товара
Выключатели-разъединители серии ВНК предназначены для включения, пропускания и отключения переменного тока в устройствах распределения электрической энергии, могут быть использованы в качестве главных и аварийных выключателей.
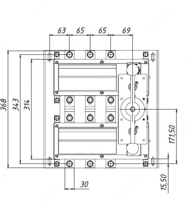
Основными узлами аппарата являются подвижные и неподвижные контакты и механизм мгновенного действия.
Корпус аппарата состоит из верхнего и нижнего блоков, стянутых винтами. В верхней части корпуса имеется прозрачная защитная крышка, позволяющая наблюдать за положением контактов.
В нижнем блоке корпуса установлены неподвижные ножевые контакты, компактные дугогасительные камеры и ползун с установленными в него подвижными контактами.
Включение и отключение аппарата производится с помощью фронтальной рукоятки посредством механизма мгновенного действия, перемещающего ползун с подвижными контактами параллельно плоскости монтажа аппарата.
Скорость срабатывания механизма не зависит от скорости движения руки оператора, тем самым обеспечивается мгновенное и одновременное замыканиеконтактов всех полюсов.
Внимание: характеристики товара, комплект поставки и внешний вид могут быть изменены производителем без предварительного уведомления. Указанная информация не является публичной офертой.
Показать все
Скрыть
Отзывы
У данного товара пока нет отзывов. Станьте первым, кто поделится своим мнением и поможет другим сделать выбор
Спасибо за ваш отзыв!
Менеджер свяжется с вами в течение 30 минут для уточнения деталей, стоимости и условий доставки
Зарегистрированные пользователи могут отслеживать статус заказа в личном кабинете
С этим товаром смотрят
Выключатель-разъединитель ВР32-37А70220-00 УХЛ3 лев.
10 сум
Syscompact 3000 — компактная мобильная система для отыскания мест повреждений кабельных линий (32 кВ)
10 сум
SFX 8-1000 — система для поиска кабельных повреждений
10 сум
Дополнительное оборудование к ВР32 Крышка ГЛИЦ 735131.036вр630А
10 сум
Выключатель-разъединитель ВР32И-37А30220 400А IEK
10 сум
Выключатель-разъединитель ВНК-37-31130-32УХЛ3 лев.
10 сум
Выключатель-разъединитель ВР32-39А70220-00 УХЛ3
10 сум
Выключатель-разъединитель ВНК-43-21131-32 УХЛ3
10 сум
Выключатель-разъединитель ВНК-37-31130N-54 УХЛ3
10 сум
Выключатель-разъединитель ВНК-43-31130-32 УХЛ3 лев.
10 сум
V6-RSA2000X — анализатор спектра реального времени
288 902 328 сум
Выключатель-разъединитель ВР32-31-А-71240-00УХЛ3
10 сум
Ранее вы смотрели
Плавкая вставка ППН37 355А габарит 2
Выключатель-разъединитель ВНК-37-71131-52УХЛ3
Контакторы Siemens 3RT1023-1AN20-1AA0
Плавкая вставка ПН2-100/ 6,3А УХЛ3 медь
PM6530B — дистанционный измеритель температуры (пирометр)
Предохранитель резьбовой ПРС 25 25А
CL255 — клещи токоизмерительные
testo 922 — дифференциальный 2-канальный термометр
TH110-AOS — датчик влажности и температуры
Nice-Power SPS305 — источник питания импульсный
Похожие категории