Выключатель-разъединитель ВР32-31-А-70220-00 УХЛ3
Описание товара
Аппараты серии ВР32 – одни из самых широко применяемых в сетях низкого напряжения. Включают различные типоисполнения по токам, видам привода и категориям применения.
Предназначен для включения, пропускания и отключения переменного тока номинальным напряжением до 660 В номинальной частотой 50 и 60 Гц и постоянного тока напряжением до 440В в устройствах распределения электрической энергии.
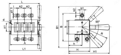
Основными узлами аппарата являются подвижные и неподвижные контакты.
Набор подвижных и неподвижных контактов с корпусом представляет собой пакет. Пакеты стянуты шпильками.
Число пакетов соответствует числу полюсов плюс один корпус, в котором размещен механизм фиксации. служащий для фиксации рукоятки привода в положении «включено» и «отключено».
Подвижные контакты установлены в пластмассовый вал, при повороте которого рукояткой привода в коммутационное положение осуществляется замыкание и размыкание контактов.
С помощью рукоятки, кроме вида привода «без рукоятки», производятся операции «включение-отключение» для аппаратов на одно направление поворотом на угол 90 и «включение–отключение-включение» для аппаратов на два направления поворотом на угол 45° в каждое положение. Все положения имеют фиксацию.
Внимание: характеристики товара, комплект поставки и внешний вид могут быть изменены производителем без предварительного уведомления. Указанная информация не является публичной офертой.
Показать все
Скрыть
Отзывы
У данного товара пока нет отзывов. Станьте первым, кто поделится своим мнением и поможет другим сделать выбор.
Спасибо за ваш отзыв!
Менеджер свяжется с вами в течение 30 минут для уточнения деталей, стоимости и условий доставки.
Зарегистрированные пользователи могут отслеживать статус заказа в личном кабинете.
С этим товаром смотрят
Выключатель-разъединитель ВНК-43-31131-54 УХЛ3 лев.
10 сум
Выключатель-разъединитель ВР32-35-В-31250-54 УХЛ2
10 сум
Выключатель-разъединитель ВР32И-39A70220 630А IEK
10 сум
Выключатель-разъединитель ВР32-31-В-31250-32 УХЛ3 лев.
10 сум
Syscompact 2000/32 — компактная мобильная система для отыскания мест повреждений кабельных линий (32 кВ)
10 сум
ВЫКЛ-РАЗЪЕД INTERPACT INV160 4П Schneider Electric
10 сум
Выключатель-разъединитель ВР32-39А31240-00 УХЛ3 лев.
10 сум
Дополнительное оборудование к ВР32 Дугогасительные камеры для ВР32-35в
10 сум
Дополнительное оборудование к ВР32 Дугогасительные камеры для ВР32-31 (для перекидного)
10 сум
Квант-М — переносное устройство поиска места повреждения с указанием направления в сторону повреждения
10 сум
Комплектующие к ВР32 Ось к ВР 32-39В31250 53мм (630А)
10 сум
Locator Set — система для точной локации мест повреждений и проведения трассировки высоковольтных кабелей Wmax=50 Вт
10 сум
Ранее вы смотрели
Дугогасительная камера к КТ 6053
Катушка к КТ 6053 380В 50Гц
Выключатель-разъединитель ВР32-31-А-70220-00 УХЛ3
Разъединитель РЕ19-43-11110-00 УХЛ3
Плавкая вставка ППН 33 20А габарит 00С
Плавкая вставка ППН39 160А габарит 3
АВИЦ-80 — аппарат высоковольтный
TIME2110 — ультразвуковой толщиномер
Контакторы Siemens 3RT1026-1BB46-1AA0-Z
Плавкая вставка НПН2-60 16А У3
Похожие категории