Выключатель-разъединитель ВНК-37-71131-32 УХЛ3
Описание товара
Выключатели-разъединители серии ВНК предназначены для включения, пропускания и отключения переменного тока в устройствах распределения электрической энергии, могут быть использованы в качестве главных и аварийных выключателей.
Основными узлами аппарата являются подвижные и неподвижные контакты и механизм мгновенного действия.
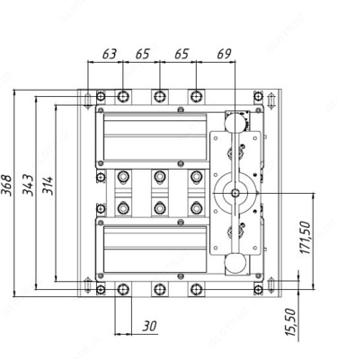
Корпус аппарата состоит из верхнего и нижнего блоков, стянутых винтами. В верхней части корпуса имеется прозрачная защитная крышка, позволяющая наблюдать за положением контактов.
В нижнем блоке корпуса установлены неподвижные ножевые контакты, компактные дугогасительные камеры и ползун с установленными в него подвижными контактами.
Включение и отключение аппарата производится с помощью фронтальной рукоятки посредством механизма мгновенного действия, перемещающего ползун с подвижными контактами параллельно плоскости монтажа аппарата.
Скорость срабатывания механизма не зависит от скорости движения руки оператора, тем самым обеспечивается мгновенное и одновременное замыканиеконтактов всех полюсов.
Внимание: характеристики товара, комплект поставки и внешний вид могут быть изменены производителем без предварительного уведомления. Указанная информация не является публичной офертой.
Показать все
Скрыть
Отзывы
У данного товара пока нет отзывов. Станьте первым, кто поделится своим мнением и поможет другим сделать выбор.
Спасибо за ваш отзыв!
Менеджер свяжется с вами в течение 30 минут для уточнения деталей, стоимости и условий доставки.
Зарегистрированные пользователи могут отслеживать статус заказа в личном кабинете.
С этим товаром смотрят
Выключатель-разъединитель ВР32-37-А-30220-00 УХЛ3 лев.
10 сум
Выключатель-разъединитель ВНК-41-41130-32 УХЛ3 центр.
10 сум
Выключатель-разъединитель ВНК-43-21131-54 УХЛ3
10 сум
УПВР-2040 — установка прожигающая
141 912 108 сум
Syscompact 2000M — компактная мобильная система для отыскания мест повреждений кабельных линий (16 кВ)
10 сум
Орион-УСВ — устройство синхронизации времени
10 сум
Выключатель-разъединитель ВР32-31А30220-00 УХЛ3 лев.
10 сум
УПП ПЛЮС - комплект для испытания и поиска мест повреждения кабелей
204 161 256 сум
Выключатель-разъединитель ВР32-39А30220-00 УХЛ3 лев.
10 сум
Комплектующие к ВР32 Рукоятка к ВР 32- 31/35/37 71240
10 сум
Выключатель-разъединитель ВР32-37В71250 лев.
10 сум
Контактор КТПВ-623 160А 220В повторно-кратковременный, п.п.,
10 сум
Ранее вы смотрели
HP-403A-M13 — датчик для измерения температуры поверхностей
Изолятор SM35 (М8) силовой с болтом ИЭК
Выключатель-разъединитель ВНК-37-71131-32 УХЛ3
Рубильник РПС-1/Л 100А без ПН левая рукоятка
ДАТЧИКИ ПЕРЕПАДА ДАВЛЕНИЯ QBM3020 ДЛЯ ВОЗДУХА И ГАЗОВ
KEW 2003A — клещи токоизмерительные
vLoc-5000 — трассопоисковая система
УДП-М — устройство дистанционного поджига термосмеси
Arkon Alfa ST25 — тепловизионный прицел
AL-50 — измерительный щуп-провод
Похожие категории