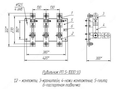
Рубильник РП-5 1000А
Описание товара
Назначение.
Рубильники РП5 предназначены для защиты и не автоматической коммутации силовых электрических цепей переменного тока в устройствах распределения электрической энергии.
Климатическое исполнение У категории 3 по ГОСТ 15150. Изделия также пригодны для эксплуатации в условиях, нормированных для исполнения УХЛ категория 4.
Конструкция.
Основными частями аппаратов являются ножи, совмещенные и контактные стойки с выводами для подключения, смонтированные на общей плите (100...400А - металлическая плита, 630А - текстолитовая).
Рубильники имеют по одному ряду совмещённых и контактных стоек. Необходимое контактное нажатие обеспечивается пружинами, на совмещённых - сферическими шайбами.
У аппаратов контактные ножи связаны осью, приводящейся в движение посредством симметрично расположенных по длине тяг, второй конец которых шарнирно соединён с валом.
На рубильниках вал приводится во вращение боковой съёмной рукояткой (или приводом), устанавливаемой на одном его конце.
Рубильники с центральным расположением привода приводятся в движение скобой связанной с осью контактных ножей.
Внимание: характеристики товара, комплект поставки и внешний вид могут быть изменены производителем без предварительного уведомления. Указанная информация не является публичной офертой.
Показать все
Скрыть
Отзывы
У данного товара пока нет отзывов. Станьте первым, кто поделится своим мнением и поможет другим сделать выбор.
Спасибо за ваш отзыв!
Менеджер свяжется с вами в течение 30 минут для уточнения деталей, стоимости и условий доставки.
Зарегистрированные пользователи могут отслеживать статус заказа в личном кабинете.
С этим товаром смотрят
Рубильник РПБ 6/П (без ПН), 630А рукоятка справа
10 сум
Рубильник со смещен.приводом РПС 4/1Л 400А (без ПН) рукоятка слева керамические изоляторы
10 сум
Рубильник РПБ-1/1 Л 100А без ПН с боковой рукояткой, вал 170мм
10 сум
Рубильник OT16FT4N2 до 16А 4х полюсный для дверного монтажа (без ручки)
10 сум
Рубильник реверсивный OT63F3C до 63А 3-полюсный для установки на DIN-рейку или монтажную плату (без ручки)
10 сум
Рубильник РПС 2/1Л 250А без ПН2 левая рукоятка
10 сум
Рубильник РПБ 2/Л c ПН2, 250А левая рукоятка
10 сум
Ящик с рубильником ЯРВ 100А IP54 без ПН2 (ЯРВ-100-54)
10 сум
Рубильник РПБ 6/Л без ПНН-39, 630А левая рукоятка
10 сум
Рубильник откидной XLP1-6BC под предохранители до 250А с кабельн ыми клеммами
10 сум
Ящик силовой с рубильником ЯБПВУ 1М 100А IP54 с ПН2 медные контакт основания
10 сум
Ящик силовой с рубильником ЯБПВУ 100А IP54 с ПН2
10 сум
Ранее вы смотрели
Похожие категории