Выключатель-разъединитель ВНК-37-71130N-32УХЛ3
Mahsulot tavsifi
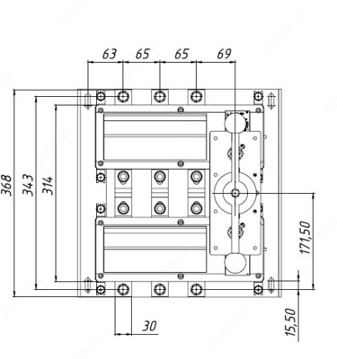
Выключатели-разъединители серии ВНК предназначены для включения, пропускания и отключения переменного тока в устройствах распределения электрической энергии, могут быть использованы в качестве главных и аварийных выключателей.
Основными узлами аппарата являются подвижные и неподвижные контакты и механизм мгновенного действия.
Корпус аппарата состоит из верхнего и нижнего блоков, стянутых винтами. В верхней части корпуса имеется прозрачная защитная крышка, позволяющая наблюдать за положением контактов.
В нижнем блоке корпуса установлены неподвижные ножевые контакты, компактные дугогасительные камеры и ползун с установленными в него подвижными контактами.
Включение и отключение аппарата производится с помощью фронтальной рукоятки посредством механизма мгновенного действия, перемещающего ползун с подвижными контактами параллельно плоскости монтажа аппарата.
Скорость срабатывания механизма не зависит от скорости движения руки оператора, тем самым обеспечивается мгновенное и одновременное замыканиеконтактов всех полюсов.
Внимание: характеристики товара, комплект поставки и внешний вид могут быть изменены производителем без предварительного уведомления. Указанная информация не является публичной офертой.
Barchasini ko'rsatish
Yashirish
Sharhlar
Bu mahsulotga hali sharh berilmagan. O‘z fikringizni birinchi bo‘lib ulashing va boshqalarga tanlov qilishga yordam bering
Fikr-mulohaza uchun rahmat!
Menejer tafsilotlar, narx va yetkazib berish shartlarini aniqlash uchun 30 daqiqa ichida siz bilan bog‘lanadi
Ro‘yxatdan o‘tgan foydalanuvchilar shaxsiy kabinetida buyurtma holatini kuzatishi mumkin
Bu mahsulot bilan birga ko'rishadi
Выключатель-разъединитель ВР32-35В31250 лев
10 soʻm
Выключатель-разъеденитель ВР32-31-А70220-00УХЛ3
10 soʻm
ВЫКЛЮЧАТЕЛЬ-РАЗЪЕДИНИТЕЛЬ INS160 4П Schneider Electric
10 soʻm
Выключатель-разъединитель ВНК-37-71131-52УХЛ3
10 soʻm
Syscompact-2000 portable — мобильный комплекс для поиска мест повреждений кабелей
10 soʻm
Выключатель-разъединитель ВР32-35-В-71250-32 УХЛ3 лев.
10 soʻm
Выключатель-разъединитель ВНК-43-31130-54 УХЛ3
10 soʻm
Дополнительное оборудование к ВР32 Дугогасительные камеры для ВР32-31 (для перекидного)
10 soʻm
Выключатель-разъединитель ВНК-39-71130-54УХЛ3
10 soʻm
Выключатель-разъединитель ВНК-43-21131-54 УХЛ3 лев.
10 soʻm
Комплектующие к ВР32 Рукоятка к ВР 32- 31/35/37 70220
10 soʻm
Выключатель-разъединитель ВР32-31-В-31250-32 УХЛ3 лев.
10 soʻm
Sizning avval ko'rganlaringiz
Выключатель-разъединитель ВНК-37-71130N-32УХЛ3
Выключатели-разъединители ПЕРЕД. ВЫНОС.ЧЕРН. РУКОЯТ (INS40-INS160)
Разъединитель линейный РЛК-IV-10/400 УХЛ1 Н=6500
Разъединитель РЕ19-44-31170 00 УХЛ3и/п м/п 160
Клещи изолирующие КИ-1000 (аналог КВП-2)
SAT UMTI — тепловизор для охоты и охраны
АКИП-1157/1 — программируемый источник питания постоянного тока
T3016U — щупы усиленные профессиональные
430 — Тестовые провода кельвина - пинцеты
PTL-2162 — переходник защищенный BNC-гнездо
O'xshash kategoriyalar