Выключатель-разъединитель ВР32-31-В-71250-32 УХЛ3
Mahsulot tavsifi
Аппараты серии ВР32 – одни из самых широко применяемых в сетях низкого напряжения. Включают различные типоисполнения по токам, видам привода и категориям применения.
Предназначен для включения, пропускания и отключения переменного тока номинальным напряжением до 660 В номинальной частотой 50 и 60 Гц и постоянного тока напряжением до 440В в устройствах распределения электрической энергии.
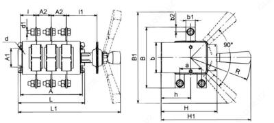
Основными узлами аппарата являются подвижные и неподвижные контакты.
Набор подвижных и неподвижных контактов с корпусом представляет собой пакет. Пакеты стянуты шпильками.
Число пакетов соответствует числу полюсов плюс один корпус, в котором размещен механизм фиксации. служащий для фиксации рукоятки привода в положении «включено» и «отключено».
Подвижные контакты установлены в пластмассовый вал, при повороте которого рукояткой привода в коммутационное положение осуществляется замыкание и размыкание контактов.
С помощью рукоятки, кроме вида привода «без рукоятки», производятся операции «включение-отключение» для аппаратов на одно направление поворотом на угол 90 и «включение–отключение-включение» для аппаратов на два направления поворотом на угол 45° в каждое положение. Все положения имеют фиксацию.
Внимание: характеристики товара, комплект поставки и внешний вид могут быть изменены производителем без предварительного уведомления. Указанная информация не является публичной офертой.
Barchasini ko'rsatish
Yashirish
Sharhlar
Bu mahsulotga hali sharh berilmagan. O‘z fikringizni birinchi bo‘lib ulashing va boshqalarga tanlov qilishga yordam bering
Fikr-mulohaza uchun rahmat!
Menejer tafsilotlar, narx va yetkazib berish shartlarini aniqlash uchun 30 daqiqa ichida siz bilan bog‘lanadi
Ro‘yxatdan o‘tgan foydalanuvchilar shaxsiy kabinetida buyurtma holatini kuzatishi mumkin
Bu mahsulot bilan birga ko'rishadi
Выключатель-разъединитель ВР32-37А70220-00 УХЛ3
10 soʻm
Комплектующие к ВР32 Рукоятка к ВР 32- 31/35/37 31240
10 soʻm
Выключатель-разъединитель ВР32-35В31250-32 УХЛ3
10 soʻm
Выключатель-разъединитель ВНК-39-71130-54УХЛ3
10 soʻm
RSA3015N — анализатор спектра реального времени
85 621 536 soʻm
Выключатель-разъединитель ВНК-35-31130-54 УХЛ3
10 soʻm
Выключатель-разъединитель ВНК-43-31130-32 УХЛ3
10 soʻm
Locator S — высокочувствительный зонд для точного определения повреждений кабеля на землю
10 soʻm
ТМВ-2 — прибор для измерения скоростных и временных характеристик масляных выключателей
10 soʻm
Выключатель-разъединитель ВР32-31-В-31250-32 УХЛ3 лев.
10 soʻm
KMF-1 — прибор для точного определения места повреждения кабельной оболочки
10 soʻm
Сириус-2-ОМП — устройство определения места повреждения на воздушных линиях электропередачи 6-750 кВ
10 soʻm
Sizning avval ko'rganlaringiz
Выключатель-разъединитель ВР32-31-В-71250-32 УХЛ3
Разъединитель РЕ19-39-31160-00 УХЛ3 630А
Разъединитель РЕ19-43-31110-00 УХЛ3 1600А
Кристалл — устройство для проверки указателей до 10 кВ
HT7051 — измеритель сопротивления изоляции
LET-400-RDC — устройство прогрузки первичным током до 2,5 кА
CENTER 311 — измеритель температуры и влажности
Сетевая солнечная электростанция (25 кВт)
Сетевая солнечная электростанция С2 (3,6кВт)
ТКА-ПКЛ (25)-Д — измеритель-регистратор параметров микроклимата
O'xshash kategoriyalar